座式圓盤給料機概述
圓盤給料機又稱圓盤給礦機,其采用硬齒面立式減速機傳動,變頻調速系統、大直徑回轉支承、盤下密封裝置及新型可控匣門,傳動效率高,運轉平穩,控制精度高,其能源消耗為普通圓盤的1/3。同時它也是機電儀一體化設備,在冶金行業的燒結、礦山、球團生產工藝流程中得到廣泛應用。
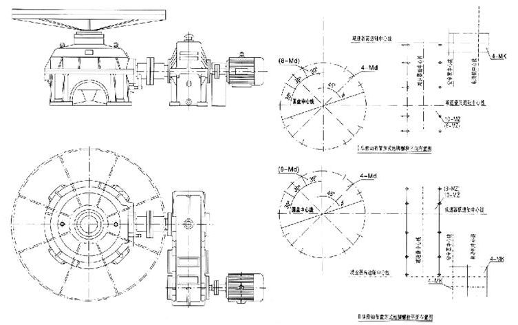
座式圓盤給料機應用
南通聯振重工機械有限公司生產的座式重型圓盤給料機是物料輸送的一種輔助設備,通常用于從料倉、漏斗和其它容器向運輸機械或器具連續供給容量不大于2500Kg/立方的塊狀、顆粒狀物料,其給料精確并能減低物料的粉碎作用。
PZ型座式圓盤給料機的工作環境溫度為-40℃至+40℃,不適于輸送流動性太差或流動性特別好的物料。該圓盤給料機適用于冶金、煤炭、建材、化工、電力部門及機械化鑄造車間等精確連續均勻的給料。

技術參數
| 型 號 | PZ8 | PZ10 | PZ12 | |||||
| 圓 盤直 徑 | mm | 800 | 1000 | 1250 | ||||
| 電 | 型號 | Y132S-6B3 | YCT200-1 | Y132S-6B3 | YCT200-1 | Y132M1-6B3 | YCT200-2 | |
| 動 | 功率 | kw | 3 | 5.5 | 3 | 5.5 | 4 | 7.5 |
| 機 | 轉速 | r.p.m | 960 | 250-1250 | 960 | 250-1250 | 960 | 250-1520 |
| 圓 盤 | r.p.m | 6.3 | 1.6-0.8 | 6.3 | 1.6-8.0 | 6.3 | 1.6-8.0 | |
| 轉 速 | ||||||||
| 生產率 | m3/h | 7 | 1.8-9.0 | 13 | 3.4-17.0 | 26 | 7.0-34.0 | |
| 外 | 長 | mm | 1996 | 2335 | 2096 | 2437 | 2450 | 2791 |
| 形 | ||||||||
| 尺 | 寬 | mm | 860 | 1130 | 960 | 1230 | 1485 | 1505 |
| 寸 | 高 | mm | 920 | 920 | 920 | 920 | 1136 | 1136 |
| 物 | Zui大塊度 | mm | 40 | 50 | 60 | |||
| 料 | 容量 | Kg/m3 | ≤2500 | |||||
| 型 號 | PZ16 | PZ20 | PZ25 | PZ31 | ||||||
| 圓 盤直 徑 | mm | 1600 | 2000 | 2500 | 3150 | |||||
| 電 | 型號 | Y160M-6B3 | YCT225-1 | Y160L-6B3 | YCT225-2 | Y200L1-6B3 | YCT250-2 | Y200L2-6B3 | YCT280 | |
| 動 | 功率 | Kw | 7.5 | 11 | 11 | 15 | 18.5 | 22 | 22 | 30 |
| 機 | 轉速 | r.p.m | 970 | 250-1250 | 970 | 250-1250 | 970 | 264-1320 | 970 | 264--1320 |
| 圓 盤 | r.p.m | 6.3 | 1.6-8.0 | 4.5 | 1.2-6.0 | 4.5 | 1.2-6.0 | 3.2 | 0.8-4.2 | |
| 轉 速 | ||||||||||
| 生產率 | m3/h | 55 | 14-70 | 80 | 21-150 | 150 | 40-210 | 220 | 56-300 | |
| 外 | 長 | mm | 2810 | 3160 | 3308 | 3694 | 3829 | 4244 | 4647.5 | 5133 |
| 形 | ||||||||||
| 尺 | 寬 | mm | 1805 | 1805 | 2080 | 2080 | 2510 | 2510 | 3150 | 3150 |
| 寸 | 高 | mm | 1136 | 1136 | 1258 | 1258 | 1258 | 1258 | 1570 | 1570 |
| 物 | Zui大塊度 | mm | 90 | 125 | 150 | 150 | ||||
| 料 | 容量 | Kg/m3 | ≤2500 | |||||||









蘇公網安備 32062102000295號